トップページ>高効率AC同期モータ>技術の詳細>駆動回路および起動原理

駆動回路

駆動回路

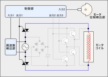
上図は駆動回路の概念図を示してあります。

起動運転時

起動運転時

起動時は、起動運転回路によってDCブラシレスモータとして回転立ち上げを行います。同期回転引き込み時は、起動回路で同期回転数の近傍を維持します。電源の位相とモータの回転位相が一定範囲に合致すると、同期運転に移行します。

同期運転時

起動運転時

同期運転時は、起動運転回路を切り離し、モータコイルを交流電源に直結し、AC同期モータとして動作します。同期運転継続中、制御部は同期運転状態をモニタしています。

Copyright (c) 2005-2026 K. R&D, Ltd. All Rights Reserved.